Котел 3.0 МВт газовый в Владивостоке

Автоматическое регулирование температурных режимов

Надежная гладкотрубная конструкция исключает деформации и разрывы швов

Встроенная система взрывобезопасности

Низкие требования к качеству питательной воды

Модель работает с отечественными горелками EMMA, ILKA, РГМГ, ГБЛ, ГМ, ГМГ, АПНД, ГГ и импортными горелками UNIGAS, BALTUR, ECOSTAR, FBR S.R.L.

Наш завод также производит модели котлов для работы на российских горелках БИГ, ГМГ, РМГ, ГГ, РГМГ.

Цена с НДС:
1 400 000 рублей
Цена с НДС на котел 3.0 МВт газовый с доставкой в
от 1 400 000 рублей
Условия в
В наличии на складе
Доставка ТК по России и Казахстану
Безналичный расчет
Есть в наличии
Можно купить в лизинг
Газовый котел 3.0 МВт
Котел 3.0 МВт газовый
Газовый котел КВа 3.0 водогрейный
Водогрейный котел КВа 3.0 газовый
Котлы КВа 3.0 МВт отопительные
Отопительные котлы КВа 3.0 МВт
Котел КВа 3.0 МВт промышленный
Промышленный котел КВа 3.0 МВт
Производство котлов КВа 3.0 МВт
Производство котлов КВа 3.0 МВт
Газовый котел 3.0 МВт
Газовый котел КВа 3.0 водогрейный
Котлы КВа 3.0 МВт отопительные
Котел КВа 3.0 МВт промышленный
Производство котлов КВа 3.0 МВт
Видеообзор
Вид топки Газовая горелка
Максимальная тепловая мощность 3 МВт
Топливо Газ
Отапливаемая площадь от 25000 до 32900 м²
Технические
характеристики
Описание
товара
Комплект
поставки
Дополнительное
оборудование
Монтаж и схемы
подключения
Сертификаты
и гарантии
Подбор
котла

Технические характеристики котла 3.0 МВт газового

Вид Водогрейный
Тип отопительного котла Газовый
Бренд HeatExpert
Марка HeatExpert
Тип Котел КВа
Вид топки Газовая горелка
Максимальная тепловая мощность 3 МВт
Максимальная тепловая мощность 3000 кВт
Максимальная тепловая мощность 2.58 Гкал
Диапазон регулирования мощности 40-100 %
Топливо Газ
Низшая теплота сгорания проектного топлива 9400 кКал/нм³
КПД котла на ГАЗЕ, не менее 92 %
Расход ГАЗА среднечасовой за отопительный сезон 168 м³/ч
Расход ГАЗА при максимальной нагрузке котла 301 м³/ч
Расход условного топлива 404 кг/ч
Максимальная температура воды на выходе из котла 115 °C
Минимальная температура воды на входе в котел 55 °C
Давление рабочей среды 0.3-0.6 (3-6) МПа (кгс/cм²)
Номинальный расход теплоносителя 104 м³/ч
Расход теплоносителя через котел min-max 78-130 м³/ч
Гидравлическое сопротивление при номинальном расходе не более 0.07 (0.7) МПа (кгс/cм²)
Аэродинамическое сопротивление 250 (25) Па (мм. вод. ст.)
Давление в топочной камере 290 (29) Па (мм. вод. ст.)
Объем уходящих газов 6050 м³/ч
Температура уходящих газов, не более 145 °C
Тяга Принудительная
Водяной объем котла 1400 л
Объем топочной камеры 7.02 м³
Размер топочной камеры: длина*ширина*высота 3575х1510х1300 мм
Присоединительные размеры по водяному тракту 150 Ду
Присоединительные размеры газохода уходящих газов, ширина*высота / сечение 1125х185/0.21 мм/м²
Размеры корпуса котла, длина*ширина*высота, погрешность ±50 3875х1765х2390 мм
Габаритные размеры котла, длина*ширина*высота 4105х1905х2490 мм
Масса 5300 кг
Конструкция котла водотрубная, горизонтальная
Количество контуров Одноконтурный
Размещение Напольный
Тип камеры сгорания Закрытый
Управление Электронное
Принцип работы газового котла Конвекционный
Энергонезависимый Нет
Тип питания Трехфазное
Встроенный циркуляционный насос Нет
Встроенный расширительный бак Нет
Энергоэффективность Высокая
Отапливаемая площадь от 25000 до 32900 м²
Отапливаемый объем от 75000 до 98500 м³
Чертеж котла КВа 3.0 ГЛЖ
Котел КВа 3.0 ГЛЖ чертеж

Водогрейный газовый промышленный котел 3.0 МВт в Владивостоке

Трехходовой водогрейный газовый котел 3.0 МВт Владивосток устанавливается в стационарных и блочно модульных котельных для отопления и горячего водоснабжения больших производственных помещений и маленьких зданий, складов, гаражей, цехов, ангаров, автосервисов, школ, садиков, клубов, магазинов, больниц, санаториев, теплиц, птицефабрик, СТО, площадью 25000 – 32900 м2.

Российский котел 3.0 МВт газовый отопительный водогрейный использует в качестве топлива природный и сжиженный газ, работает в открытых и закрытых системах теплоснабжения с принудительной циркуляцией воды при рабочем давлении до 0,6 МПа и температурой нагрева до 95 - 115 °С.

Особенности наших котлов

Трубный стальной газовый водогрейный котел 3.0 МВт работает с длинофакельными блочными отечественными и импортными горелками таких производителей, как EMMA, ILKA, CIB UNIGAS, BALTUR, ECOSTAR, FBR S.R.L. и другими. Наш завод также производит модели котлов для работы на российских горелках БИГ, ГМГ, РМГ, ГГ, РГМГ.

Регулирование заданных температурных режимов производится в автоматическом режиме, за счет чего обеспечивается эффективное сжигание топлива.

Экономичная работа котла обеспечивается максимальным снижением потерь теплоты, соответственно меньшим расходом топлива. Для исключения теплопотерь, мы сделали наши котлы газоплотными, с качественной теплоизоляцией.

В водотрубных котлах теплоноситель поступает через коллектора с перегородками и распределяется по трубной системе равномерными потоками с высокой скоростью. Такая схема движения потока воды исключает образование застойных зон, локальный перегрев поверхностей нагрева, местное выпадение солей и отложения накипи, и делает агрегат менее требовательным к качеству питательной воды.

Водотрубная конструкция котла максимально безопасна в работе. Даже при внезапном снижении давления внутри теплогенератора до атмосферного не произойдет выделение пара, и он не взорвется.

Устройство водогрейного котла 3.0 МВт на газе

Котельный блок

Котельный блок имеет гладкотрубную конструкцию, что обеспечивает повышенную надежность. Трубная система собирается из труб ввариваемых в коллектора, а не в трубные доски. В таком теплогенераторе отсутствует давление перегретых труб на трубную доску и напряжения в сварных швах, вызывающее деформации и разрыв швов.

Гладкотрубная поверхность нагрева воды имеет развитую поверхность, при компактных внешних размерах плотный пучек конвективных труб, расположенных в шахматном порядке и омываемый дымовыми газами в поперечном направлении обеспечивает высокую тепловую эффективность котельного блока. Газы в котле делают три хода – в топке, в первом конвективном пакете и во втором.

Топка

Промышленный водогрейный котел 3.0 МВт на газе выполнен с газоплотной топкой. Топка газоплотного исполнения максимально снижает теплопотери с уходящими продуктами сгорания, сохраняя свою герметичность даже при многократных растопках и остановках. Газоплотная топка исключает присосы холодного воздуха, что приводит к увеличению температуры факела и скорости горения, тем самым снижая механический недожег.

В заднем экране топки установлен взрывной клапан, предохраняющий конструкцию котлоагрегата от разрушения при возникновении избыточного давления в топке. Горелка крепится во фронтовой части топочной камеры. Отверстие во фронтальной плите изготавливается под конкретную модель горелки.

Топка такой конструкции позволяет использовать облегченную теплоизоляцию. Легкая обмуровка снижает массу котла и упрощает обслуживание котлоагрегата.

Конвективная часть котла

Конвективный пакет представляет собой ряд труб расположенных в шахматном порядке. Шахматное расположение труб позволяет максимально омывать поверхности нагрева, тем самым снижая потерю теплоты и повышая теплоотдачу. Увеличение теплопередачи позволяет снизить расход топлива. Применяемая схема противотока снимает тепло из выходящих газов и с теплоносителем возвращает его обратно в промышленный водонагревательный газовый котел отопления.

Многочисленные перегородки, установленные в коллекторах теплового котла, направляют поток теплоносителя, исключая возникновение застойных зон и локальный перегрев поверхностей нагрева. Высокие скорости и турбулизация потока воды снижают образование накипи, производственный котел 3.0 МВт на газу надежно работает без специальных мероприятий по химводоподготовки.

Совместимые горелочные устройства

Автоматический водогрейный газовый котел 3,0 МВт российского производства работает с отечественными горелками EMMA, ILKA, РГМГ, ГБЛ, ГМ, ГМГ, АПНД, ГГ и импортными горелками UNIGAS, BALTUR, ECOSTAR, FBR S.R.L.. Горелки подают топливо в топочную камеру, где происходит его сжигание и нагрев теплоносителя. Блочная горелка осуществляет сжигание топлива, изменяет режим горения, обеспечивает поддержание в контуре котла температуру воды до 115 °С. Диапазон температуры воды в контуре агрегата задается на пульте управления. При достижении крайних значений автоматически осуществляется включение и выключение горелки. Этот режим обеспечивает надежную и экономичную работу котла.

Принцип работы водогрейного котла 3.0 МВт на газе

Работа водогрейного котла 3 МВт на газовом топливе, с универсальной топочной камерой, осуществляется с широким рядом горелочных устройств. Топливо направляется в горелку, где смешивается с воздухом, воспламеняется и направляется в топочное пространство. Горелка регулирует скорость подачи топлива, исходя из его компонентов, и обеспечивает стабильность горения. Тепло передается экранам и с дымовыми газами направляется в конвективные поверхности нагрева, нагревая теплоноситель. Дымовые газы проходят конвективную поверхность нагрева, где охлаждаются до 200-180 °С и удаляются через дымовую трубу.

Заданный диапазон температуры воды, но не более 115 °С, поддерживается горелкой. По мере достижения предельных значений горелочное устройство автоматически отключается и включается, обеспечивая надежность и экономичность работы.

Монтаж и комплектация

Отечественный водогрейный котел 3.0 МВт газовый промышленный поставляется готовым напольным блоком в обшивке с паспортом и инструкцией по эксплуатации, окончательная цена включает базовую комплектацию, затворы, предохранительные клапаны, вентили, термометры, манометры, трехходовые краны. Автоматика, горелка, насосы поставляются по запросу.

Компактный горизонтальный газовый котел 3,0 МВт для отопления устанавливается в котельной на специально подготовленную ровную поверхность и закрепляется анкерными болтами. Далее подсоединяется по воде, устанавливается запорная арматура на подводящем и отводящем трубопроводе, устанавливаются предохранительные клапаны, дренажи, воздушники и контрольно измерительные приборы, монтируется газоход.

Купить газовый промышленный котел 3.0 МВт

Для того чтобы купить газовый водогрейный котел 3.0 МВт в Владивостоке вы можете оформить заявку в отделе сбыта по телефону 8-800-700-06-43, либо оформить заявку он-лайн. Инженеры-консультанты помогут выбрать подходящие модели и котельно-вспомогательное оборудование, рассчитают стоимость доставки до вашего региона и населенного пункта. Транспортирование котлоагрегатов может осуществляться транспортными компаниями, автомобильным транспортом, железнодорожным и речным видами транспорта.

Комплект поставки котла 3.0 МВт газового

Цена водогрейного котла 3.0 МВт газового включает в себя запорную арматуру и КИП в пределах котла, вентилятор поддува и предохранительные клапаны. Ниже приведена подробная информация.

Дополнительное оборудование котла 3.0 МВт газового

Для эффективной и надежной работы котла 3.0 МВт газового вам потребуется дополнительное оборудование - автоматика, дымосос, золоуловитель, насос сетевой и подпиточный, газоходы и переходники для газового тракта, дымовая труба. Мы предлагаем рассмотреть типовые варианты комплектации. В случае если у вас на объекте имеется насосное и тягодутьевое оборудование, мы можем проверить совместимость котла 3.0 МВт газового нашего производства и вашего оборудования. Можем изготовить нестандартные узлы для выполнения быстрого монтажа котла - газоходы и узлы обвязки. Типовую схему монтажа котла вы можете посмотреть во вкладке схемы подключения.

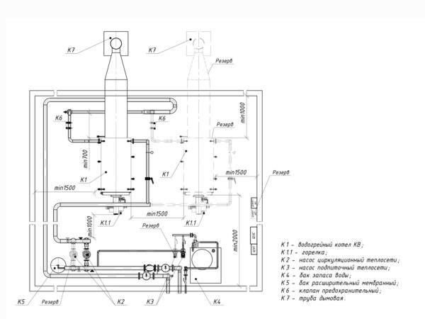
Монтаж и схемы подключения котла 3.0 МВт газового

Водогрейный стальной отопительный котел 3.0 МВт газовый, предназначен для получения горячей воды номинальной температурой на выходе из котла от 95 до 115 °С рабочим давлением до 0,6 (6,0) МПа (кгс/см), используемой в системах централизованного теплоснабжения на нужды отопления, горячего водоснабжения. Устанавливается в производственных, промышленных и отопительных котельных.

Монтаж и подключение котла 3.0 МВт газового

Схема подключения котла на газе КВа

Схема подключения водогрейного котла КВа на газе

Сертификаты и гарантии котла 3.0 МВт газового

Водогрейный котел 3.0 МВт газовый имеет гарантийный срок 24 месяца. Срок работы при соблюдении правил монтажа и эксплуатации оборудования 10 лет.

Водогрейные котлы сертификат
Сертификат на водогрейные котлы
Сертификат на водогрейные котлы на газе и жидком топливе
Сертификат на водогрейные котлы на газе и жидком топливе

Подберите мощность котла для вашего объекта

Тип здания
Регион
Населенный пункт
Наружный объем здания
3)
Отапливаемый подвал
Объем подвала
3)

Отзывы о продукции

Другая похожая продукция

Дизельный котел 3.0 МВт
Котел 3.0 МВт на дизеле
Максимальная тепловая мощность, МВт 3, 3.0
Топливо Дизель, Жидкое
Вид топки Дизельная горелка
Отапливаемая площадь, м² от 25000 до 32900
1 400 000 ₽
Мазутный котел 3.0 МВт
Котел 3.0 МВт на мазуте
Максимальная тепловая мощность, МВт 3, 3.0
Топливо Мазут, Жидкое, Отработанное масло
Вид топки Мазутная горелка
Отапливаемая площадь, м² от 25000 до 32900
1 428 000 ₽
Котел КВм 3.0 ТШПМ
Котел КВм 3.0 с ТШПМ
Максимальная тепловая мощность, МВт 3
Топливо Твердое, Уголь
Вид топки ТШПМ, Механическая
Отапливаемая площадь, м² от 25000 до 32900
2 273 000 ₽
Газовый котел КВа 2.5 водогрейный
Котел 2.5 МВт газовый
Максимальная тепловая мощность, МВт 2.5
Топливо Газ
Вид топки Газовая горелка
Отапливаемая площадь, м² от 20900 до 27400
1 150 000 ₽
Газовый котел 3.5 МВт
Котел 3.5 МВт газовый
Максимальная тепловая мощность, МВт 3.5
Топливо Газ
Вид топки Газовая горелка
Отапливаемая площадь, м² от 29300 до 38400
1 580 000 ₽
Котел под российскую горелку
Котел КВГ 3.0 МВт газовый (под отечественную горелку ГГ и ГБЛ)
Максимальная тепловая мощность, МВт 3
Топливо Газ
Вид топки Газовая горелка
Отапливаемая площадь, м² от 25000 до 32900
1 400 000 ₽
Котел под российскую горелку
Котел КВГМ 3.0 МВт мазутный (под отечественную горелку ГМГ)
Максимальная тепловая мощность, МВт 3
Топливо Мазут, Жидкое
Вид топки Мазутная горелка
Отапливаемая площадь, м² от 25000 до 32900
1 428 000 ₽
Котел под российскую горелку
Котел КВЖ 3.0 МВт дизельный (под отечественную горелку РМГ)
Максимальная тепловая мощность, МВт 3
Топливо Дизель, Жидкое
Вид топки Дизельная горелка
Отапливаемая площадь, м² от 25000 до 32900
1 400 000 ₽